Godkjenning av skinnegående kjøretøy

Her finner du informasjon om hvordan du skal fornye brukstillatelse av skinnegående kjøretøy eller søke om godkjenning for første gang.

Fornyelse av brukstillatelse

Har du tidligere fått brukstillatelse av et skinnegående kjøretøy kan du søke om fornyelse her. 

Det er viktig at du har all nødvendig dokumentasjon klar før du søker. Det gjelder både for bruk av kjøretøy på trikken eller T-banens infrastruktur. 

Trikkenettet

Her er det du trenger å vite for å søke om fornyelse av brukstillatelse av kjøretøy på trikkenettet. 

Dokumentasjonskrav

Dette må du ha klart før du kan søke: 

  • Dokumenter på hvilket vedlikehold som har vært gjennomført (punkt 10 i skjemaet).
  • Signert bekreftelse på at kjøretøyet ikke er endret eller modifisert etter godkjenning fra SJT (punkt 12 i skjemaet).

Fornyelse av brukstillatelse på trikkenettet

Du må ha dokumentene ferdig signert og utfylt før du kan søke om fornyelse av brukstillatelse. Send utfylt søknad til arbeidsmaskiner.trikken@sporveien.com

T-banenettet

Her er det du trenger å vite for å søke fornyelse av brukstillatelse av kjøretøy på T-banenettet. 

Dokumentasjonskrav

Dette må du ha klart før du kan søke: 

  • Dokumenter på hvilke vedlikehold som har vært gjennomført (punkt 10 i skjemaet).
  • Signert bekreftelse på at kjøretøyet ikke er endret eller modifisert etter godkjenning fra SJT (punkt 12 i skjemaet).
  • Dokumentasjon på tidligere godkjent brukstillatelse og nummer på maskinen.

Fornyelse av brukstillatelse på T-banenettet

Du må ha dokumentene ferdig signert og utfylt før du kan søke om fornyelse av brukstillatelse. Send utfylt søknad til arbeidsmaskiner.t-banen@sporveien.com

Godkjenning av skinnegående kjøretøy 

Alle skinnegående kjøretøy som skal brukes på Sporveiens infrastruktur (T-bane og/eller trikk) skal ha tillatelse til å tas i bruk. Hvis kjøretøyet ikke tidligere har vært godkjent av Statens Jernbanetilsyn (SJT) for bruk på Sporveiens infrastruktur, må du søke om dette. 

For å kunne søke må kjøretøyet

  • ha dokumentert bremsekraft til å kunne stå stille i 70 promille stigning for trikkenettet
  • ha dokumentert bremsekraft til å kunne stå stille i 63 promille stigning for T-banenettet
  • ikke være bredere enn 2.9 meter (gjelder arbeid på trikkenettet)

Trikkenettet

Her er det du trenger å vite for å søke om brukstillatelse av kjøretøy på trikkenettet for første gang. 

Dokumentasjonskrav til maskin på trikkenettet

Før du kan søke om brukstillatelse for skinnegående kjøretøy må du ha følgende dokumenter klare til opplastning i søknadsskjema:

  1. Oversiktstegninger og beskrivelse av kjøretøytypen (målsatte tegninger av kjøretøyet) og beskrivelse av kjøretøytypen (f. eks. produkthefte fra leverandør). 
  2. Liste over anvendte standarder med oversikt over eventuelle avvik
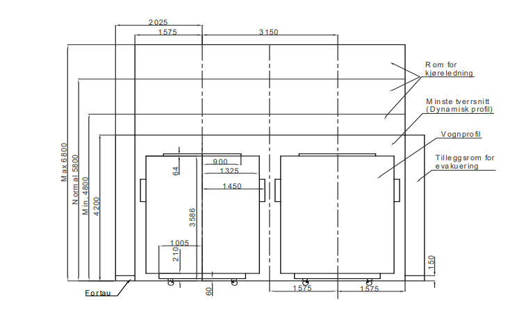
  3. Profiltegning av maskin inntegnet i Sporveiens konstruksjonsprofil og minste tverrsnitt. Last ned mal til konstruksjonsprofiltegningen til Sporveien.
  4. Bilde av kjøretøyet med påmontert utstyr som skal benyttes
  5. Bilde av produksjonsnummer på kjøretøyet
  6. Tegning av hjulprofil med angitt hjulavstand
  7. Beskrivelse av bremsesystemet
  8. Dokumentasjon på at kjøretøyet tilfredsstiller friksjonsbrems (holdebrems) i fall/stigning
    • Bekreftelse fra produsent,
    • Bremseberegning, eller
    • Bremsetest (hvis krav er større en bremseberegning viser)
  9. Utfylt kompatibilitetserklæring for Sporveiens infrastruktur. Kompabilitetserklæringsdokumentet kan du laste ned her. 
  10. Bekreftelse på at vedlikehold er utført (signert). Dersom maskinen er helt ny kan du se bort i fra dette punktet. 


Legg også ved følgende dokumenter hvis du har: 

  • Bekreftelse på tidligere godkjenninger fra SJT (f.eks. saksreferanse SJT og Bane NOR materiellkort).
  • Bekreftelse på at kjøretøyet ikke er endret eller modifisert etter godkjenning fra SJT (signert).

Ny søknad for godkjenning av kjøretøy på trikkenettet

Har du alle dokumentene signert og utfylt? Da kan du søke om godkjenning av brukstillatelse for skinnegående kjøretøy på trikkenettet.

T-banenettet

Her er det du trenger å vite for å søke om brukstillatelse av kjøretøy på T-banenettet for første gang. 

Dokumentasjonskrav til maskin på T-banenettet

Før du kan søke om brukstillatelse for skinnegående kjøretøy må du ha følgende dokumenter klare til opplastning i søknadsskjema:

 

  1. Oversiktstegninger og beskrivelse av kjøretøytypen (målsatte tegninger av kjøretøyet) og beskrivelse av kjøretøytypen (f. eks. produkthefte fra leverandør). 
  2. Liste over anvendte standarder med oversikt over eventuelle avvik
  3. Profiltegning av maskin inntegnet i Sporveiens konstruksjonsprofil og minste tverrsnitt. Last ned mal til konstruksjonsprofiltegningen til Sporveien.
  4. Bilde av kjøretøyet med påmontert utstyr som skal benyttes
  5. Bilde av produksjonsnummer på kjøretøyet
  6. Tegning av hjulprofil med angitt hjulavstand
  7. Beskrivelse av bremsesystemet
  8. Dokumentasjon på at kjøretøyet tilfredsstiller friksjonsbrems (holdebrems) i fall/stigning
    • Bekreftelse fra produsent,
    • Bremseberegning, eller
    • Bremsetest (hvis krav er større en bremseberegning viser)
  9. Utfylt kompatibilitetserklæring for Sporveiens infrastruktur. Kompabilitetserklæringsdokumentet kan du laste ned her. 
  10. Bekreftelse på at vedlikehold er utført (signert). Dersom maskinen er helt ny kan du se bort i fra dette punktet. 

 

Legg ved følgende dokumenter også hvis du har:

  • Bekreftelse på tidligere godkjenninger fra SJT (f.eks. saksreferanse SJT og Bane NOR materiellkort)
  • Bekreftelse på at kjøretøyet ikke er endret eller modifisert etter godkjenning fra SJT (signert)

Ny søknad for godkjenning av kjøretøy på T-banenettet

Har du alle dokumenter signert og utfylt? Da kan du søke om godkjenning av brukstillatelse for skinnegående kjøretøy på T-banenettet.

Har du spørsmål? 

Er noe uklart eller ønsker du mer informasjon? Kontakt oss! 

Førespørsel om friksjonstest

Forespørsel om friksjonstest uført av Sporveien sendes til denne e-postadressen.